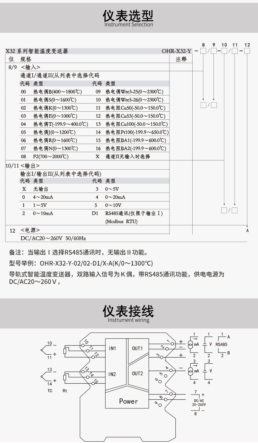
OHR-X32系列智能溫度變送器
溫度變送器將現場的熱電阻或熱電偶等溫度傳感器信號經過隔離放大處理,轉換為與溫度成線性的二線制4-20mA信號輸出至控制系統。














1、OHR-X32系列智能溫度變送器使用說明書(鼠標右鍵另存下載)
2、OHR-X32系列智能溫度變送器選型手冊(鼠標右鍵另存下載)

1、隔離器與安全柵的區別是什么?
答:隔離器與安全柵最明顯的區別在于:隔離器用在普通場合,而安全柵用在防爆的場合,安全柵包括輸入端與輸出端,輸入端是危險區到安全區,輸出端是安全區到危險區。
2、隔離器與隔離柵有什么區別,在什么情況下用隔離器在什么情況下用隔離柵?
答:隔離器主要作用是隔離現場一次設備中的干擾信號,可以防止信號擾動、不準等問題;隔離式安全柵作用是隔離危險區和安全區之間的危險電壓達到防爆目的。一般常規場合都可使用隔離器;隔離式安全柵用在有危險防爆場合的現場。