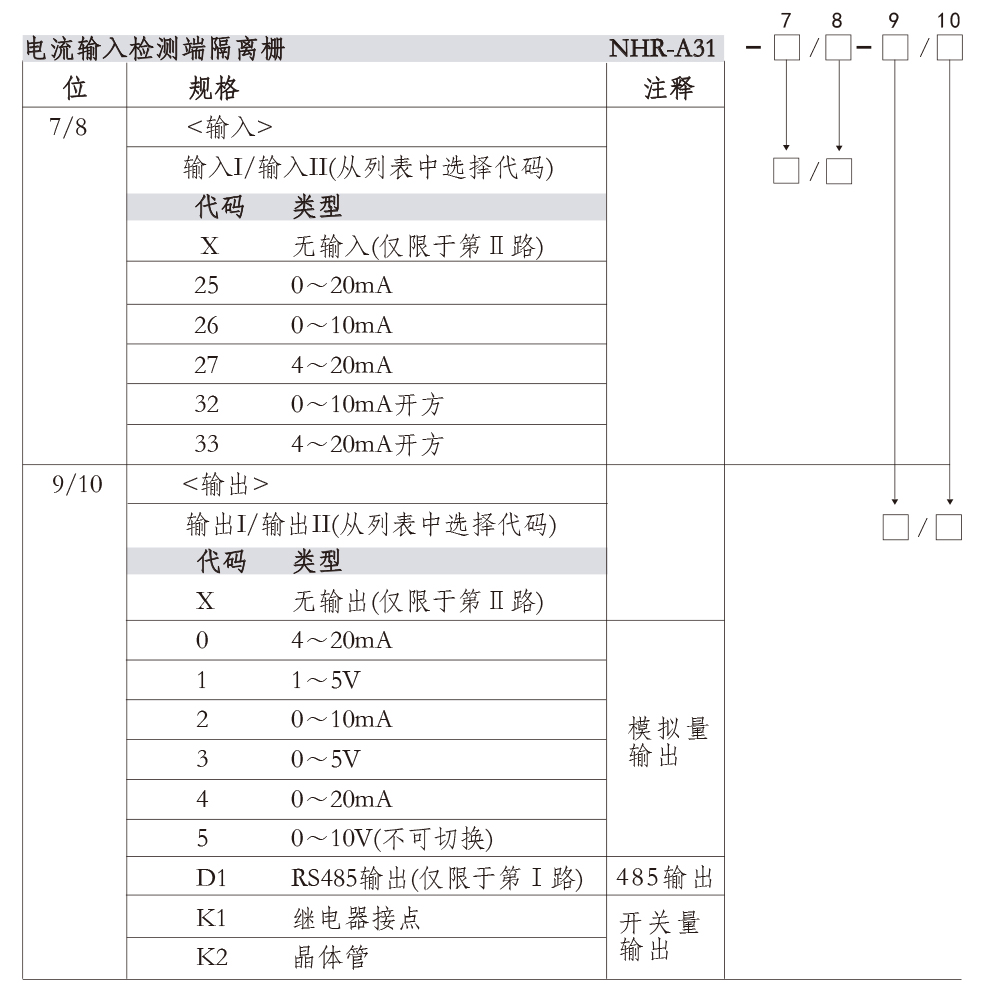
NHR-A31系列電流輸入檢測端隔離柵
NHR-A31系列電流輸入檢測端隔離柵將來自危險區的電流信號轉換成電壓、電流、RS485信號或開關量信號,從危險區隔離傳送到安全區,該產品需獨立供電,輸入/輸出/電源三隔離??捎迷陔娏餍盘栞敵鲈O備。














1、NHR-A31系列電流輸入檢測端隔離柵(210125).pdf使用說明書(鼠標右鍵另存下載)
2、NHR-A31系列電流輸入檢測端隔離柵.pdf選型手冊(鼠標右鍵另存下載)

1、隔離器與安全柵的區別是什么?
答:隔離器與安全柵最明顯的區別在于:隔離器用在普通場合,而安全柵用在防爆的場合,安全柵包括輸入端與 輸出端,輸入端是危險區到安全區,輸出端是安全區到危險區。
2、隔離器與隔離柵有什么區別,在什么情況下用隔離器在什么情況下用隔離柵?
答:隔離器主要作用是隔離現場一次設備中的干擾信號,可以防止信號擾動、不準等問題;隔離式安全柵作用是 隔離危險區和安全區之間的危險電壓達到防爆目的。一般常規場合都可使用隔離器;隔離式安全柵用在有危險防爆場合的現場。