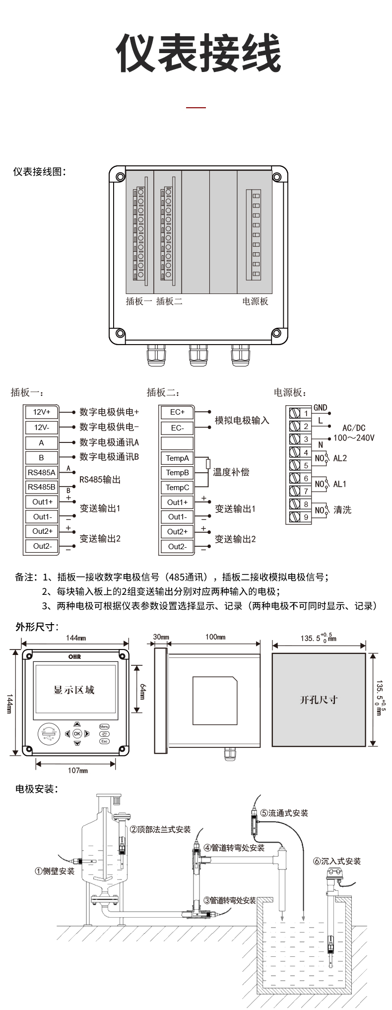
OHR-EC80系列電導率記錄儀
虹潤公司是專業生產水質分析儀的國家專精特新“小巨人”企業。生產的電導率記錄儀,具有模擬電極與數字電極切換輸入、測量精準穩定不跳字,數據記錄與轉存、RS485/以太網通訊,配套上位機管理軟件等特點。產品獲得一種平板無紙記錄儀、智能化控制器等2項國家發明專利;主持起草物聯網智能記錄儀表通用技術條件、現場設備工具(FDT)接口規范.、過程分析技術系統等3項國家標準,以及通信系統多通道數據采集控制終端規范軍用標準,參與國際5G標準制定,取得電導率無紙記錄儀表等4項相關軟件著作權。產品廣泛應用于環保水務、市政供水、水產養殖、農業灌溉、科研實驗等諸多領域。

















